Mengenal Motor Stepper Nema 34 Closed Loop 12Nm dan Driver HBS86H , Fungsi serta Cara merakitnya

Motor Stepper Nema 34 Closed Loop 12Nm + HBS86H



NEMA 34
NEMA 34 adalah motor stepping bipolar hibrida torsi tinggi dengan pelat muka 3,4x3,4 inci. Stepper hybrid memiliki kombinasi fitur Motor Stepper Variable Reluctance dan Motor Stepper Magnet Permanen. Motor ini memiliki sudut langkah 1,8 derajat, ini berarti memiliki 200 langkah per putaran dan untuk setiap langkah akan mencakup 1,8°. NEMA 34 ini merupakan motor 2 Phase dengan 4 kabel. Kontroler yang kompatibel untuk motor ini adalah CW230, CW250 dan CW860.



Cara menggunakan Motor Stepper NEMA 34
Seperti disebutkan di atas motor stepper ini menarik arus tinggi jadi alih-alih mengendalikannya secara langsung, gunakan driver motor stepper yang kuat seperti cw230. Diagram pengkabelan untuk motor Stepper NEMA 34 diberikan di bawah ini:



Seperti yang ditunjukkan pada diagram pengkabelan ada empat kabel dengan warna berbeda yaitu Merah, Hijau, Kuning dan Biru. Kabel ini terhubung ke dua kumparan yang berbeda. Merah dan Hijau terhubung ke satu kumparan sementara Kuning dan Biru terhubung ke yang lain.
Untuk memutar kumparan motor diberi energi dalam urutan logis. Untuk memutar motor dalam gerakan berlawanan arah jarum jam dari rotor fase diberi energi dalam urutan berikut +A, +B, -A, -B, +B, +A dan untuk putaran searah jarum jam, urutannya adalah +A, -B, +B, +A……..


Spesifikasi :
Rincian Motor:
 Model Motor 86HSE12N
Arus Motor  6A
Torsi keluaran 12N.m
Panjang tubuh 182MM
Diameter poros  14MM, kunci 5MM
Diameter berhenti  73MM
Mode keluaran poros keluaran tunggal
Kecepatan rotasi  0-1000 rpm (tidak ada beban 3000 rpm)
Mode stopkontak  dua fase empat kawat (harus dipasang sesuai label motor)

Rincian HBS86H Stepper Drive:

Model penggerak  HBS86H (Nema 34, 86 motor stepper)
Sinyal pulsa 3.3V/5V/24V kompatibel. Tidak diperlukan resistor string
Tegangan Input  AC AC16-70V DC DC24-100V
Pengaturan subdivisi  800-51200 subdivisi
Port RS232 Port jaringan
HBS86H mengadopsi chip DSP kontrol motor khusus dan teknologi kontrol lingkaran tertutup vektor aplikasi untuk mengatasi masalah langkah kehilangan motor penggerak loop terbuka, frekuensi respons impuls dapat mencapai 200KHZ.











Kegunaan/fungsi produk
- Motor Stepper Mesin CNC
- Stepper untuk Robotika
- Stepper untuk 3D Printer
- Motor Stepper Mesin Otomasi
- Dll.





Cara pemakaian/ cara pemasangan
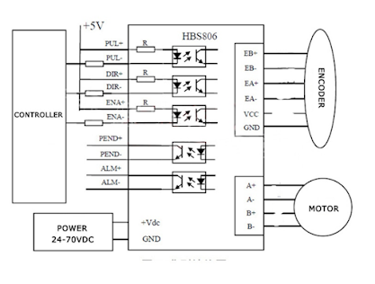
Pasang sesuai dengan gambar dibawah ini ya







Fungsi tiap barang :
1. Motor 86HSE12N Sebagai penggerak
2.  Driver HBS86H Sebagai pengontrol gerak stepper
3. Konverter AC 110V 220V DC 36V 5A 180W berfungsi sebagai sumber tegangan
4.  Arduino uno R3 sebagai pengontrol controller



Harga : Rp.2.625.000
 Ini hanya Motor steppernya saja untuk barang/komponen lain bisa dicek/hubungi di :
Tokopedia : https://www.tokopedia.com/electronicsbot
Shope        : https://shopee.co.id/farhan.id
Bukalapak : https://www.bukalapak.com/u/ufam_kun
Wa             :  085246428746



Sumber :
Terima kasih untuk gambar dan deskripsi untuk : https://id.aliexpress.com/item/33004956280.html
Pengertian Nema : https://components101.com/motors/nema34-stepper-motor



 

Postingan terkait:

Belum ada tanggapan untuk "Mengenal Motor Stepper Nema 34 Closed Loop 12Nm dan Driver HBS86H , Fungsi serta Cara merakitnya"

Post a Comment